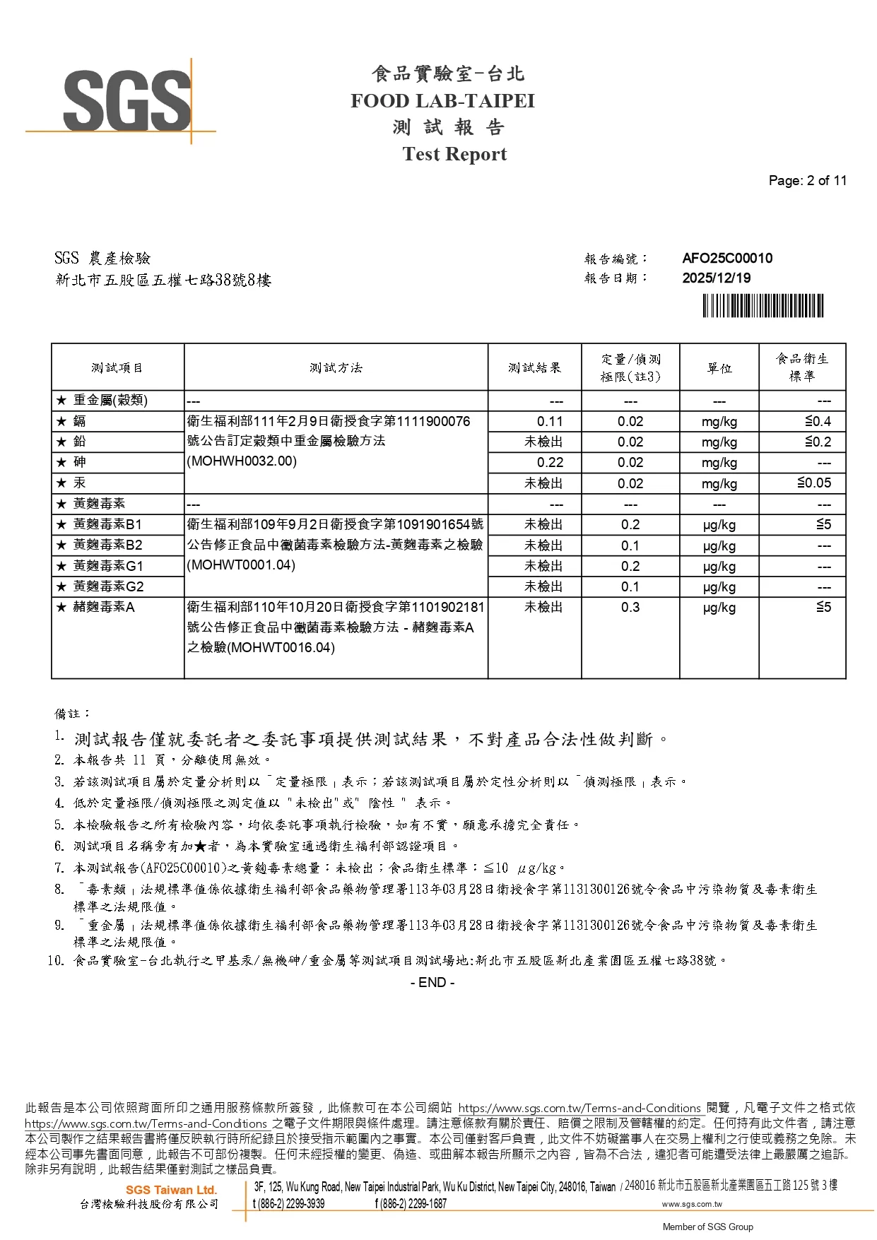
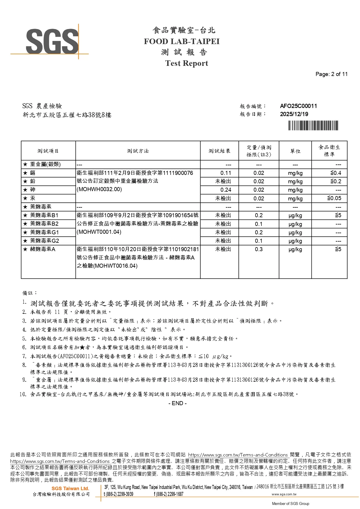
無農藥、無化肥、友善耕作
4.9 / 5 ( 46 users )

《霧峰區農會》五甲地特別栽種米-真空包裝2kg(6包/箱)-免運

TWD $
規格 2kg/包,共6包
數量 add_product_to_car_picture

《霧峰區農會》五甲地特別栽種米-真空包裝2kg(6包/箱)-免運 | 福報購蔬食購物商城

看商品
0