CNS規格一等米
4.8 / 5 ( 54 users )

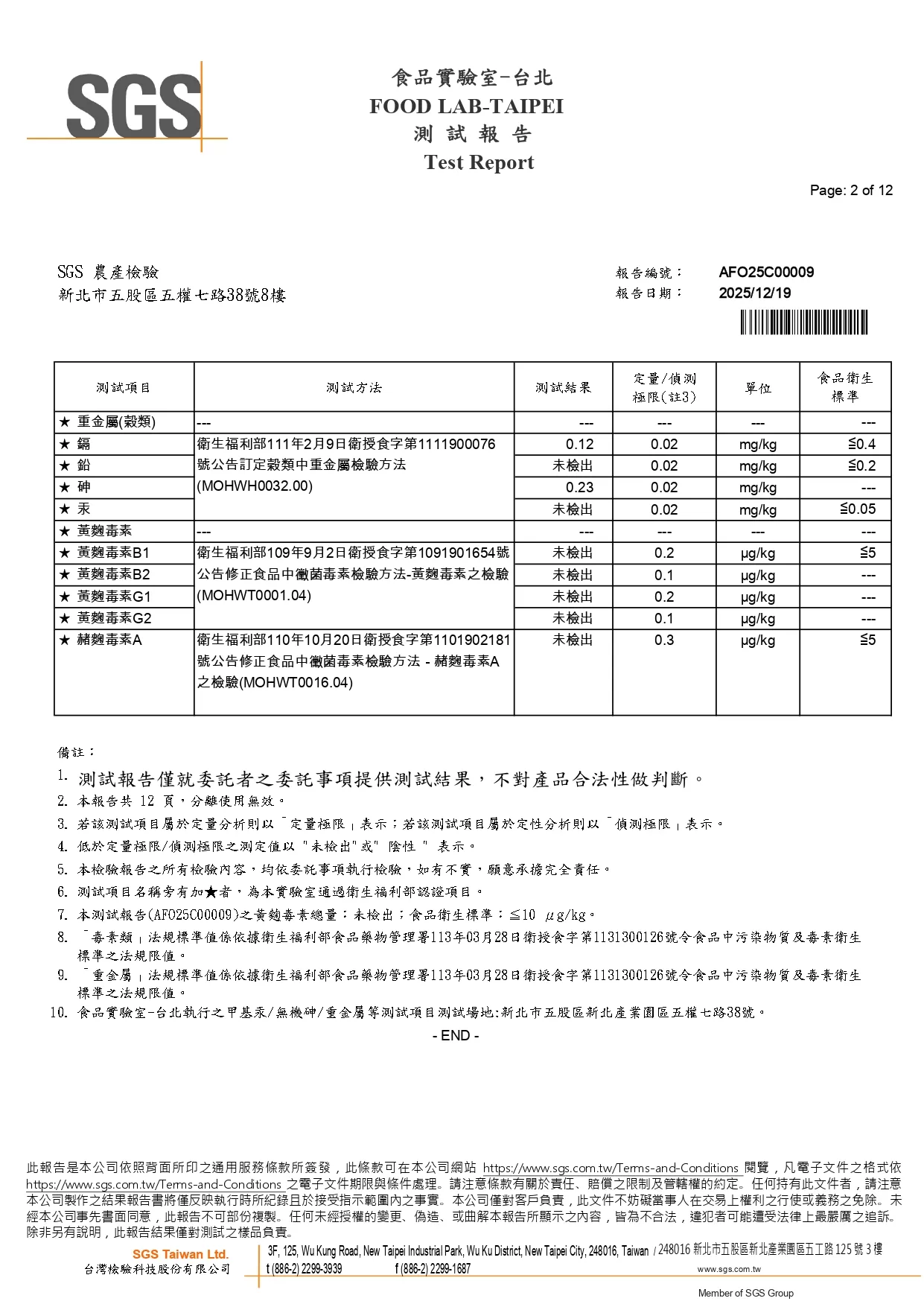
《霧峰區農會》霧峰香米300公克(50包/箱)-免運

TWD $
規格 300g/包,共50包
數量 add_product_to_car_picture

《霧峰區農會》霧峰香米300公克(50包/箱)-免運 | 福報購蔬食購物商城

看商品
0